产品
云服务
平台服务
行业解决方案
选型表
概述
RSM485 是包含电源隔离,磁耦合信号隔离的增强型隔离 RS-485 收发器,具有总线 TVS 保护功能,体积小巧方便,能增强系统的抗干扰性。内部集成 RS-485 总线收发电路,完全电气隔离电路,隔离电压DC2500V 。RSM485 是用于 UART 与 RS-485总线之间的接口芯片。支持波特率为:300bps~115200bps。
RSM485 芯片主要功能:具有将 UART 逻辑电平转换为 RS-485 总线的差动电平的功能,另外 RSM485 还具有把CPU系统和外部 RS-485总线隔离开的作用。

图1 RSM485 典型网络连接示意图
如图1所示RSM485典型网络连接示意,每个网络可接入32个以上单路RSM隔离收发模块,通用模块最长通讯距离为 1200米。
注:总线通讯距离与通讯速率以及现场应用相关,可根据实际应用和参考相关标准设计,通讯线缆选择双绞线或屏蔽双绞线并尽量远离干扰源。远距离通讯时,终端电阻值需要根据通讯距离以及线缆阻抗和节点数量选择合适值。
产品特性
◆ 单一输入电源供电
◆ 无隔离输出电源脚,8个功能引脚,无需外围元件,简单易用
◆ 最多可连接 256 个节点
◆ 电磁辐射 EME 极低
◆ 电磁抗干扰 EMS 极高
◆ 集成电源隔离、信号隔离和总线 ESD 保护功能
外观与包装尺寸

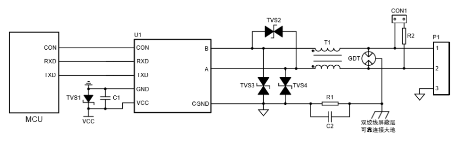
典型连接电路

推荐应用电路

推荐参数:
标号 | 型号 | 标号 | 型号 |
C1 | 10μF,25V | TVS1 | SMBJ5.0A |
C2 | 102,2KV,1206 | TVS2 | SMBJ12CA |
GDT | 3RL090M-5-S | TVS3,TVS4 | SMBJ6.5CA |
R1 | 1MΩ,1206 | T1 | B82793S0513N201 |
R2 | 120Ω,1206 | U1 | RSM485 模块 |
下载支持